Luxusní zahradní hliníková volně stojící bioklimatická pergola o rozměrech 8x4 metry s ELEKTRICKÝM POHONEM pro otáčení lamel a LED OSVĚTLENÍM představuje ideální způsob zastřešení Vašeho venkovního posezení.

Velmi pevná a stabilní konstrukce v antracitové barvě RAL 7016, v matné povrchové úpravě se hodí do každého prostoru, není zapotřebí vrtat do stěny. Pergola je vyrobena z vysoce kvalitního hliníku, který je ošetřen práškovou barvou, což zaručuje odolnost vůči povětrnostním vlivům.

Celkem 56 nastavitelných otočných dvojitých lamel (dvě vrstvy s dutým vnitřkem) Vás ochrání nejen před sluncem, ale i před deštěm. Lamely lze otáčet od 0°, kdy docílíte úplně uzavřené střechy až do 135°, díky čemuž získáte skvělou mobilitu a možnost zastínit slunce z jakékoliv strany.


Ke svodu vody dochází unikátním drenážním systémem přímo uvnitř konstrukce. Lamely jsou schopné odvést opravdu velké množství vody až 17 l/m2 za hodinu. V zimních měsících je zapotřebí ponechat lamely ve svislé pozici. I přesto jsou lamely schopné unést 30-40 centimetrovou vrstvu sněhu, což představuje zátěž přibližně 50 kg/m2. Toto zatížení však nemůže být dlouhodobé.
Kteroukoliv stranu pergoly lze doplnit např. o zástěnu. V nabídce máme čtyřmetrové zástěny s hliníkovou konstrukcí a výplní z textilenu, které poskytnou ochranu před větrem. Pergolu je také možné doplnit o stínicí panely s fixními či sklápěcími horizontálními lamelami pro dodatečné soukromí a zastínění. Dále máme v nabídce stínicí stěnu nebo posuvnou zástěnu.
Součástí pergoly je LED OSVĚTLENÍ.
JEDEN MOTOR pro osvětlení i pro ovládání lamel
Bezdrátové ovládání lamel a LED osvětlení jedním ovladačem.

Díky skvělým vlastnostem, detailnímu zpracování a modernímu designu bioklimatické pergoly využijete venkovní posezení mnohem častěji.
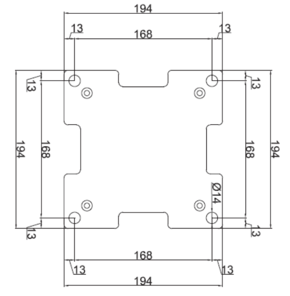
Robustní sloupek má rozměry 150x150 mm, při instalaci je zapotřebí počítat s patkou sloupku o rozměrech 160x160 mm. Patka je z 8 mm silné oceli a je navíc zakryta hliníkovým krytem ( mm) s integrovaným drenážním systémem. Vyvýšený hliníkový profil s přidanou horní lištou ukrývá lamely tak, že z bočního pohledu nejsou viditelné a jsou v jedné linii s profilem.

S bioklimatickou pergolou si můžete užívat maximum slunečních paprsků, zároveň se můžete proti těmto paprskům i chránit správným nastavením lamel. Pergola též umožňuje snadnou ventilaci prostoru a naopak dokonalý přístřešek v případě deště.

TÜV CERTIFIKACE - Pergola byla testována a byla jí udělena certifikace TÜV, která je známkou kvality, bezpečnosti a spolehlivosti.

HLAVNÍ VÝHODY