Prémiová zahradní hliníková volně stojící bioklimatická pergola o rozměrech 4x3,6 metrů představuje ideální způsob zastřešení Vašeho venkovního posezení.
Velmi pevná a stabilní konstrukce v antracitové barvě RAL 7016, v matné povrchové úpravě se hodí do každého prostoru, není zapotřebí vrtat do stěny. Pergola je vyrobena z vysoce kvalitního hliníku, který je ošetřen práškovou barvou, což zaručuje odolnost vůči povětrnostním vlivům.

Oproti ostatním bioklimatickým pergolám má pergola APEX střechu SEDLOVOU, což dodá prostoru jiný rozměr.
Celkem 52 nastavitelných otočných lamel Vás ochrání nejen před sluncem, ale i před deštěm. Lamely jsou rozděleny do 4 zón.
Lamely lze ovládat jednoduše manuálně pomocí kličky. Ta je navržena tak, aby šla jednoduše naklonit, aby při otáčení lamel nedocházelo k poškrábání konstrukce pergoly. Zároveň je klička na konstrukci umístěna tak, aby při doplnění pergoly o zástěny či panely nebránila ve snadné manipulaci s těmito doplňky.

Ke svodu vody dochází unikátním drenážním systémem přímo uvnitř konstrukce. Lamely jsou schopné odvést opravdu velké množství vody až 17 l/m2 za hodinu. V zimních měsících je zapotřebí ponechat lamely ve svislé pozici. I přesto jsou lamely schopné unést 10-15 centimetrovou vrstvu sněhu, což představuje zátěž přibližně 50 kg/m2. Toto zatížení však nemůže být dlouhodobé.e
Boční strany (3,6m) pergoly lze doplnit o zástěny. V nabídce máme zástěnu 3,6m s hliníkovou konstrukcí a výplní z textilenu, která poskytne ochranu před větrem. Pergolu je také možné doplnit o stínicí panely s fixními horizontálními lamelami pro dodatečné soukromí a zastínění nebo se sklápěcími lamelami.
Díky skvělým vlastnostem, detailnímu zpracování a modernímu designu bioklimatické pergoly využijete venkovní posezení mnohem častěji.
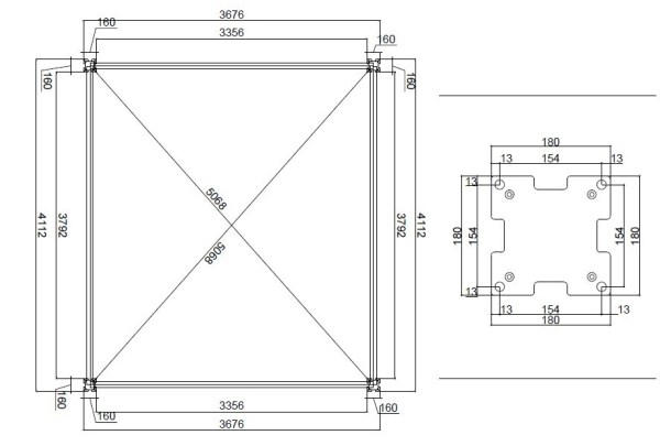
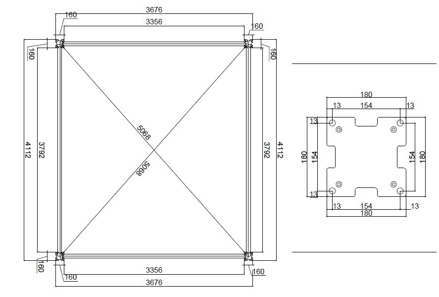
Robustní sloupek má rozměry 116x116 mm, při instalaci je zapotřebí počítat s patkou sloupku o rozměrech 160x160 mm. Patka je z 8 mm silné oceli a je navíc zakryta hliníkovým krytem (165x165 mm) s integrovaným drenážním systémem. Vyvýšený hliníkový profil ukrývá lamely tak, že z bočního pohledu nejsou viditelné a jsou v jedné linii s profilem.

S bioklimatickou pergolou si můžete užívat maximum slunečních paprsků, zároveň se můžete proti těmto paprskům i chránit správným nastavením lamel. Pergola též umožňuje snadnou ventilaci prostoru a naopak dokonalý přístřešek v případě deště.

TÜV CERTIFIKACE - Pergola byla testována a byla jí udělena certifikace TÜV, která je známkou kvality, bezpečnosti a spolehlivosti.
HLAVNÍ VÝHODY